

Описание и характеристики
Соединитель болтовой серии СБП предназначен для соединения медных и/или алюминиевых жил кабелей с изоляцией различного типа на любое напряжение до 20 кВ. Для соединений жил кабеля со значительной разницей в сечении. Имеет специально подобранные геометрические размеры корпуса и болтов для гарантированного качества электрического контакта по завершению монтажа. Монтаж производится завинчиванием болтов до установленных параметров срыва головок болтов.
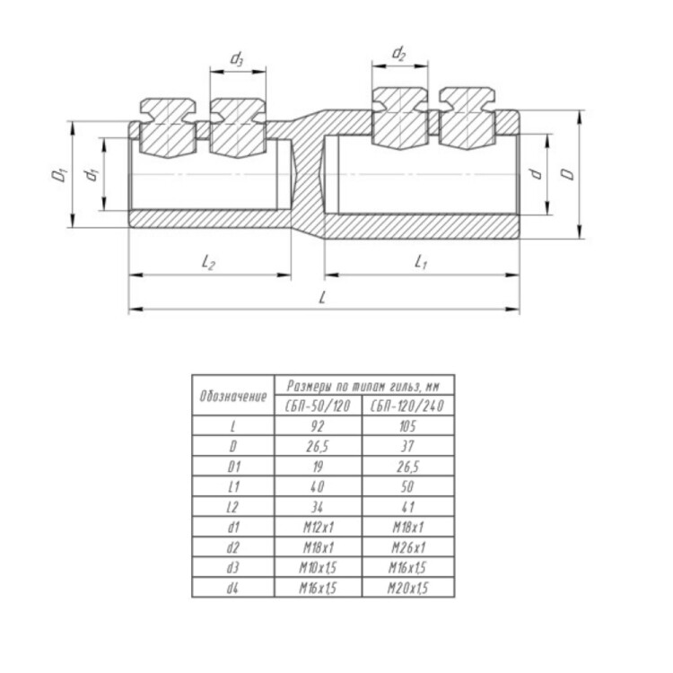
Технические особенности:
- Предназначены для соединения жил кабелей и проводов сечением от 120 до 240 мм?.
- Корпус имеет разные диаметры с двух сторон, с плавным переходом между ними.
- Отверстия под жилу кабеля расположены симметрично или со смещением к оси корпуса.
- Отверстия под жилу кабеля имеют рифленую внутреннюю поверхность, что увеличивает площадь контакта изделия с кабельной жилой и обеспечивает высокую механическую прочность соединения.
- Края корпуса имеют специальную скруглённую форму для уменьшения напряженности электрического поля.
- На болты может быть нанесена дополнительно электропроводящая смазка ЭПС.
Технические особенности:
- Предназначены для соединения жил кабелей и проводов сечением от 120 до 240 мм?.
- Корпус имеет разные диаметры с двух сторон, с плавным переходом между ними.
- Отверстия под жилу кабеля расположены симметрично или со смещением к оси корпуса.
- Отверстия под жилу кабеля имеют рифленую внутреннюю поверхность, что увеличивает площадь контакта изделия с кабельной жилой и обеспечивает высокую механическую прочность соединения.
- Края корпуса имеют специальную скруглённую форму для уменьшения напряженности электрического поля.
- На болты может быть нанесена дополнительно электропроводящая смазка ЭПС.